soal 7.2




1. Tujuan[Kembali]
  1. Memenuhi tugas yang diberikan dosen
  2. Memahami rangakaian simulasi sederhana dari enkoder desimal ke BCD
  3. Mengetahui rangkaian dalam serta blok diagram enkoder desimal ke BCD
2. Alat dan Bahan[Kembali]
  1. IC 74147


    10-LINE-TO-4-LINE PRIORITY ENCODERS
    Vcc : 4.75 V - 5.25 V
    Ta : 0 - 70  C
    IOH : -0.4 mA
    IOL :  8 mA

  2. Logic Probe

    Berfungsi menampilkan hasil keluaran apakah high atau low dari pin keluaran

  3. Logicstate

    Berfungsi menghasilkan nilai inputan high atau low pada pin masukan

3. Dasar Teori[Kembali]

1.IC 74147
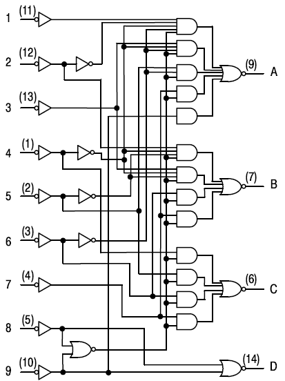
    adalah enkoder yang dapat menerjemahkan angka desimal ke BCD. . IC encoder 74147 merupakan IC dalam keluarga TTL yang bekerja dengan tegangan sumber +5 volt DC. IC 74147 memiliki 16 pin dengan kemasan IC DIP. Encoder IC 74147 memiliki 9 jalur input desimal 1 sampai 9 aktif LOW dan 4 jalur output BCD aktif LOW . Tegangan sumber untuk IC 74147 diberikan melalui pin Vcc (+5 volt DC) dan pin GND (ground). Enkoder memiliki rangkaian dalam dan tabel kebenaran yang dapat dilihat pada gambar dibawah ini
Rangkaian dalam atau diagram blok


Diagram blok dari atas

Tabel kebenaran

4. Percobaan[Kembali]

a. Langkah-langkah

  1. sediakan alat dan bahan yang dibutuhkan dalam membuat rangkaian
  2. hubungkan komponen sesuai dengan gambar rangkaian
  3. rangkaian  selesai

B. Gambar Rangkaian


5. Prinsip Kerja[Kembali]

     cara kerja enkoder IC 74147 adalah meneruskan data input, yang mana data input ditentukan oleh masukan pada pin input (1-9) dan keluaran yang dihasilkan adalah berupa bilangan BCD dari 0000 - 1001. Enkoder ini memiliki pin input data yang aktif low yaitu aktif ketika diberi masukan low atau nol dan outputnya juga bersifat aktif low yang artinya aktif ketika memberikan output low atau nol.